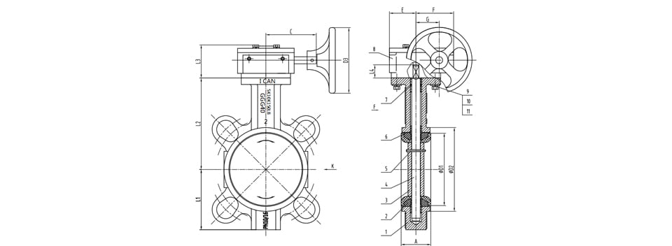
The worm and worm wheels that are integrated allow for gear reduction by gently opening the disc, which results in non-step flow adjustment.
Accurate positions can also be taken because a stopper bolt is installed in both the fully closed and fully opened positions. Additionally, the indicator located at the top of the gear box can be used to read the disc’s opening angle. Using the manual handle, “Open” is achieved by rotating counterclockwise, and “Close” by rotating clockwise.
Features
Useful media include air, steam, fresh water, sewage, seawater, weak acids, and alkalis.
The ideal temperature depends on the type of seat.
Application fields include power, water treatment, drainage, municipal building, and water conservation initiatives.









